Detailed Work Makes Quality, Our Quality Equals Perfection.
Low-Voltage Inverter
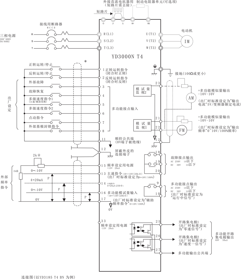
YD3000N High-Performance VFD
Capacity
1-PH 220VAC: 0.75-4kW
3-PH 380VAC: 0.75-630kW
Control mode
VF
Sensorless Vector Control (SVC)
Feedback Vector Control (FVC)
Overload
120%@60s
Motor Type
Asynchronous
Optional Accessories
RS485 Expansion Card, Optical encoder PG card
YD3000N High-Performance VFD
Catalog
Manual
Installation drawing
YD3000N 用户手册
YD3000N User Menual
YD3000N F4-F11 CAD